Стандартный образец (мера) V1 для ультразвукового контроля
Стандартный образец V1 применяют для настройки параметров ультразвуковых дефектоскопов. Образец выполнен в виде параллелепипеда со скругленным углом и 2 сквозными отверстиями. На поверхность образца нанесены шкалы, необходимые для определения параметров ввода ультразвуковой волны. Скорость распространения продольной ультразвуковой волны в образце из стали 3 или 20 равна 5900 ± 133 м/с.
Образец изготавливается в соответствии с требованиями ГОСТ Р 55724-2013.
Стандартный образец V1 внесен в Госреестр средств измерений РФ (№ 79145-20).

Функции образца V1
Стандартный образец V1 используется для:
- настройки глубиномера и линейности развертки;
- настройки скорости развертки поперечных волн;
- определения точки выхода луча, стрелы и угла ввода наклонного ПЭП;
- проверки минимальной глубины прозвучивания прямых ПЭП;
- проверки условной чувствительности дефектоскопа;
- определения разрешающей способности прямых ПЭП.
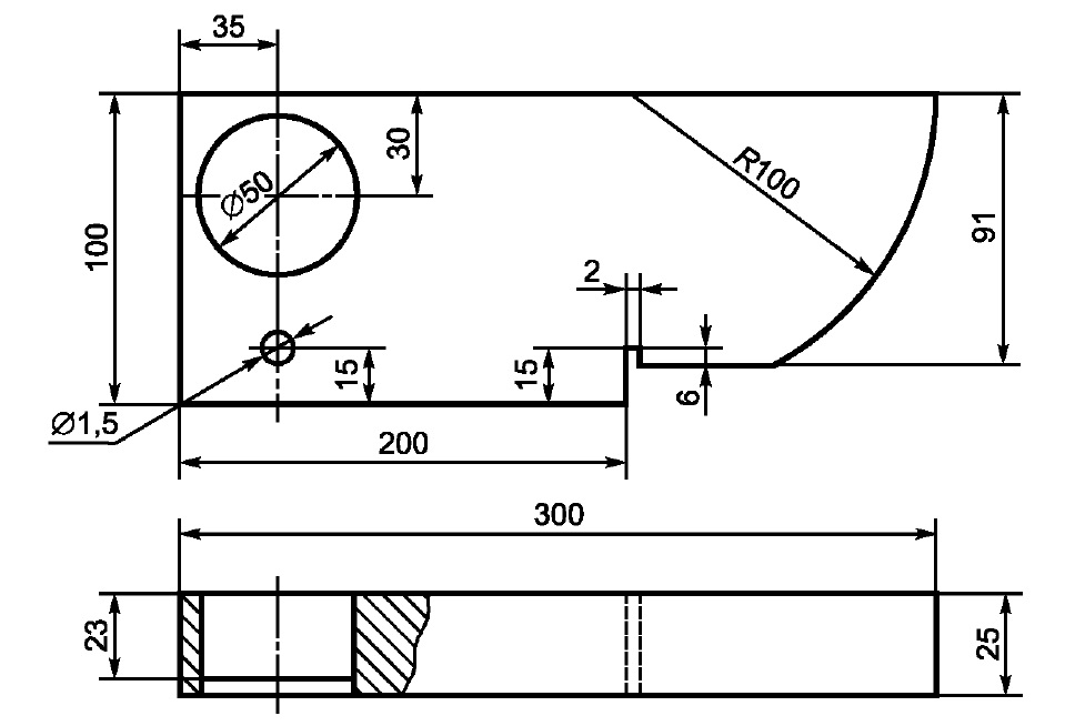
Схема стандартного образца V1 с указанием рабочих поверхностей, граней и искусственных дефектов
| Наименование параметра |
Значение |
| Длина меры, мм |
300,0 |
| Высота меры, мм |
100,0 |
| Толщина меры, мм |
25,0 |
| Шероховатость Rₐ рабочих поверхностей меры, мкм, не более |
1,25 |
| Масса меры, кг, не более |
7 |
| Ширина паза 1, мм |
2 |
| Расстояние от рабочей поверхности 1 до рабочей поверхности 3, мм |
91,0 |
Диаметры искусственных дефектов, мм: — ИД1 — ИД2 |
50,0 1,5 |
| Расстояние от рабочей поверхности 1 до центра искусственного дефекта ИД1, мм |
30,0 |
| Расстояние от рабочей поверхности 2 до центра искусственного дефекта ИД2, мм |
15,0 |
| Глубина паза 1 относительно рабочей поверхности 2, мм |
15,0 |
| Расстояние от проекции центра искусственного дефекта ИД1 на рабочую поверхность 1 до базовой риски шкалы 1, мм |
51,96 |
| Расстояние от проекции центра искусственного дефекта ИД1 на рабочую поверхность 2 до базовой риски шкалы 3, мм |
40,41 |
| Расстояние от проекции центра искусственного дефекта ИД2 на рабочую поверхность 2 до базовой риски шкалы 2, мм |
41,21 |
| Расстояние от базовой риски шкалы 4 до грани 1 меры, мм |
100,0 |
Положение рисок шкалы относительно базовой риски, мм: — для шкалы 1 вдоль рабочей поверхности 1 — для шкалы 2 вдоль рабочей поверхности 2 — для шкалы 3 вдоль рабочей поверхности 2 |
30 · (tgα − tg60°) 15 · (tgα − tg70°) 70 · (tgα − tg30°) где α — значение угла ввода, соответствующее данной риске, град. |
Положение рисок шкалы относительно базовой риски, мм для шкалы 4 вдоль рабочей поверхности 1 |
L ± 0,2 где L — номинальное значение на шкале 4, мм |
| Пределы допускаемой абсолютной погрешности воспроизведения высоты и толщины меры, расстояния от рабочей поверхности 1 до рабочей поверхности 3, диаметров ИД, расстояний до центров ИД, расстояния до базовых рисок и положения рисок шкалы относительно базовых рисок, мм |
±0,1 |
Скорость ультразвуковой волны, м/с: — для стали 3 — для стали 20 — для стали 45 — для стали 40Х13 — для стали 12Х18Н10Т — для медно-цинкового сплава марки Л63 — для алюминиевого сплава Д16 |
5900 ± 133 5900 ± 133 5920 ± 133 6040 ± 133 5740 ± 133 4430 ± 133 6360 ± 133 |
Пределы допускаемой абсолютной погрешности воспроизведения скорости продольной ультразвуковой волны в мере, м/с |
±30 |
| Наименование |
Количество |
| Стандартный образец V1 (с калибровкой или поверкой) |
1 шт. |
| Футляр |
1 шт. |
| Транспортировочная упаковка |
1 шт. |
| Комплект документации |
1 экз. |
Доставка осуществляется со склада в Нижнем Новгороде.
Сопровождение и контроль перевозки осуществляется на всем пути следования груза. Все транспортируемые грузы в обязательном порядке страхуются.
С транспортными компаниями "Деловые линии", "DPD", City Express", "Major Express", "КСЭ", "ПЭК", "Возовоз" заключены договоры на перевозку грузов. По запросу возможна доставка другой транспортной компанией, сотрудничество с которой вам наиболее удобно.
Обращаем внимание, что транспортные компании могут осуществлять доставку до терминала (если он есть в вашем городе), либо по адресу.
Наша компания работает с юридическими лицами. Оплата производится безналичным перечислением на расчетный счет.
Счет на оплату выставляется в максимально сжатые сроки, в среднем в течение 90 минут. Выставленный счет направляется Заказчику электронной почте. Оригиналы счета, товарной накладной и счета-фактуры предоставляются при получении оборудования или высылаются вместе с ним и свидетельствами о поверке (калибровке), если таковые имеются, курьерской службой по адресу Заказчика.
Условия возврата товаров