Образцы-имитаторы вогнутости и выпуклости корня сварного шва
Образцы-имитаторы предназначены для определения вогнутости и выпуклости корня сварного шва при проведении радиографического контроля сварных соединений. Оценка параметров осуществляется визуально и/или с помощью денситометра. При проведении оценки необходимо сравнить оптическую плотность изображений с оптической плотностью канавки или выступа на образце-имитаторе. Изделие производится в соответствии с требованиями ГОСТ Р 50.05.07—2018.
Для проведения измерений необходимо выбрать образец-имитатор по предельно допустимым значениям вогнутости и выпуклости корня шва. Толщина образца должна быть равной показателю усиления контролируемого участка сварного шва. Далее образец-имитатор фиксируется на объекте контроля напротив источника излучения с расстоянием 5 мм от шва. В некоторых случаях допускается закреплять образец-имитатор со стороны рентгеновской пленки. Таким образом, оптическая плотность изображения образца-имитатора на снимке должна быть равной оптической плотности изображения сварного шва.
| |
№ 1 |
№ 2 |
№ 3 |
№ 4 |
№ 5 |
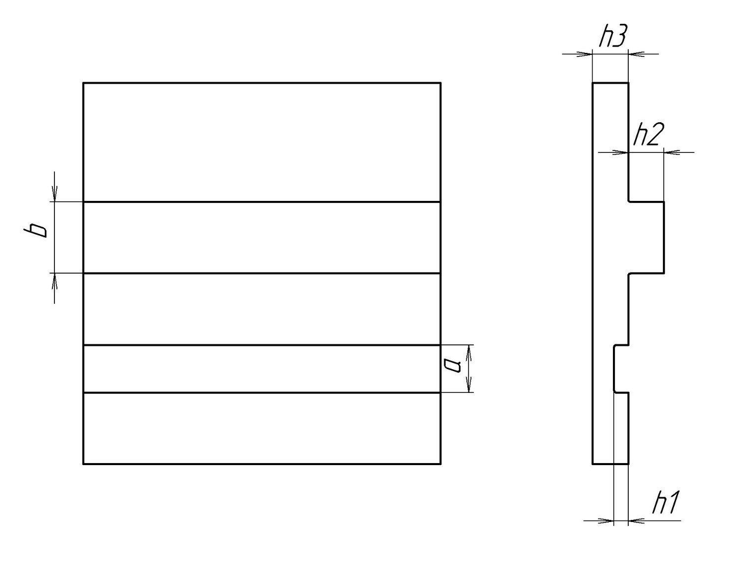
| Глубина канавки, h₁, мм |
0,6 ± 0,06 |
0,8 ± 0,08 |
1,0 ± 0,1 |
1,2 ± 0,12 |
1,6 ± 0,16 |
| Высота выступа, h₂, мм |
1,5 ± 0,15 |
2,0 ± 0,2 |
2,0 ± 0,2 |
2,0 ± 0,2 |
2,5 ± 0,25 |
| Толщина, h₃, мм |
1,5 ± 0,15 |
2,0 ± 0,2 |
2,0 ± 0,2 |
2,0 ± 0,2 |
2,5 ± 0,25 |
| Ширина канавки, а, мм |
2,0 ± 0,2 |
2,0 ± 0,2 |
2,0 ± 0,2 |
3,0 ± 0,3 |
4,0 ± 0,4 |
| Ширина выступа, b, мм |
3,0 ± 0,3 |
4,0 ± 0,4 |
4,0 ± 0,4 |
4,0 ± 0,4 |
5,0 ± 0,5 |

| Комплект образцов-имитаторов (5 шт.) |
1 шт. |
| Футляр |
1 шт. |
| Паспорт |
1 экз. |
Доставка осуществляется со склада в Нижнем Новгороде.
Сопровождение и контроль перевозки осуществляется на всем пути следования груза. Все транспортируемые грузы в обязательном порядке страхуются.
С транспортными компаниями "Деловые линии", "DPD", City Express", "Major Express", "КСЭ", "ПЭК", "Возовоз" заключены договоры на перевозку грузов. По запросу возможна доставка другой транспортной компанией, сотрудничество с которой вам наиболее удобно.
Обращаем внимание, что транспортные компании могут осуществлять доставку до терминала (если он есть в вашем городе), либо по адресу.
Наша компания работает с юридическими лицами. Оплата производится безналичным перечислением на расчетный счет.
Счет на оплату выставляется в максимально сжатые сроки, в среднем в течение 90 минут. Выставленный счет направляется Заказчику электронной почте. Оригиналы счета, товарной накладной и счета-фактуры предоставляются при получении оборудования или высылаются вместе с ним и свидетельствами о поверке (калибровке), если таковые имеются, курьерской службой по адресу Заказчика.
Условия возврата товаров